

Pregled
ACS serija stropnih zvučnika nove generacije usvaja tehnologiju koaksijalnog pogona, koristi zvučnik punog pojasa s dvosmjernom pogonskom strukturom i ima ugrađenu skretnicu, što ACS čini prikladnim za pojačanje konferencijskog zvuka, sustav pozadinske glazbe i druga mjesta , s dobrim zvučnim performansama.
Ovaj proizvod ima šupljinu za utiskivanje metala visoke čvrstoće, koja se utiskuje i oblikuje u jednom trenutku. Cijela šupljina koja podržava zvuk osigurava da je zvučnik u stabilnom stanju čak i pri visokom izlazu energije, održava veliki dinamički izlaz, čini njegov zvuk savršenijim i smanjuje smetnje buke u stropu. Rješava probleme koje obično imaju stropna instalacijska konstrukcija i zvučnici, uključujući buku, rezonanciju i lošu kvalitetu zvuka u stropu.
Prednja pregrada od ABS materijala ima mat mat crni dizajn, koji je prekrasan i otporan na prašinu, s adsorpcijskim mrežastim pokrovom i dizajnom bez okvira, koji je više usklađen sa stropom i pokazuje vrhunsku kvalitetu.
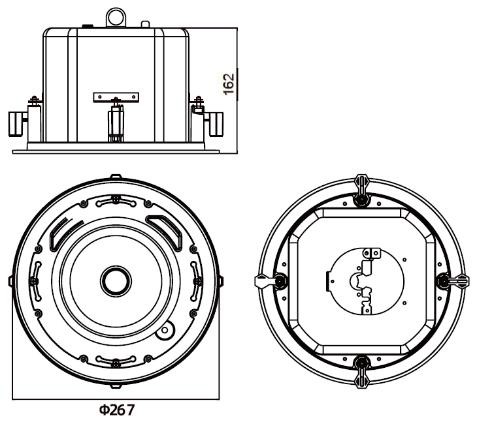
PVeličina proizvoda

Popularni tagovi: 6' koaksijalni stropni zvučnik, Kina 6' koaksijalni stropni zvučnik proizvođači, dobavljači, tvornica
TEHNIČKI PODACI
|
Opća izvedba |
|
|
Ime |
6-inčni koaksijalni stropni zvučnik |
|
Frekvencijski odziv (-10dB) |
95 Hz ~ 19 kHz |
|
Nazivna snaga |
60W |
|
Dugotrajna maksimalna snaga |
120W |
|
Vršna snaga |
240W |
|
Osjetljivost (1W/1m) |
89 ± 2 dB |
|
Maksimalna razina zvučnog tlaka |
107 ±2dB kontinuirano 113 ±2dB vrh |
|
Kut pokrivanja (HxV) |
100 stupnjeva x 100 stupnjeva |
|
Impedancija |
8Ω ±2 0 % |
|
Woofer |
1 x 6.5 " |
|
visokotonac |
1" |
|
Materijal kutije |
ABS+ feritna šupljina |
|
Boja rešetke |
Bijela |
|
Priključni terminali |
4pin Phoenix terminal S L OOP funkcijom |
|
Dimenzije (promjer x dubina) |
264 x 162 mm |
|
Veličina otvora |
Φ 240 mm |
|
Težina |
3,2 kg |















